محصولات

دستگاه لیوان کاغذی نیمه اتوماتیک



پارامتر
نام | دستگاه لیوان کاغذی | |
مدل | TO-S800型 | |
اندازه لیوان کاغذی | 3-16 OZ | |
ماده خام | کاغذ با روکش پلی اتیلن یک طرفه یا دو طرفه (کاغذ با روکش پلی اتیلن یک طرفه یا دو طرفه) | |
سرعت | 75-85 عدد در دقیقه | |
وزن کاغذ مناسب | 100-300g/㎡;±20g/㎡ | |
تامین کننده ولتاژ | 380 ولت (220 ولت) 50 هرتز | |
اندازه فنجان | پایین35-70 میلی متر، بالا45-90 میلی متر، بالا32-135 میلی متر | |
منبع هوای کار | {{0}}.4-0.6Mpa; 0.4 متر مکعب در دقیقه | |
قدرت عمومی | 6 کیلو وات | |
وزن خالص | 2000 کیلوگرم | |
| اندازه گیری (میلی متر) | ماشین اصلی | طول: 2100 میلی متر؛ عرض: 1200 میلی متر؛ ارتفاع: 1800 میلی متر |
جمع کننده لیوان 100 کیلوگرمی | طول: 900 میلی متر؛ عرض: 600 میلی متر؛ ارتفاع: 1500 میلی متر | |
آب بندی کنار فنجان | اولتراسونیک همیشه سبز | |
نوک پایین | هوا دمنده گرما | |


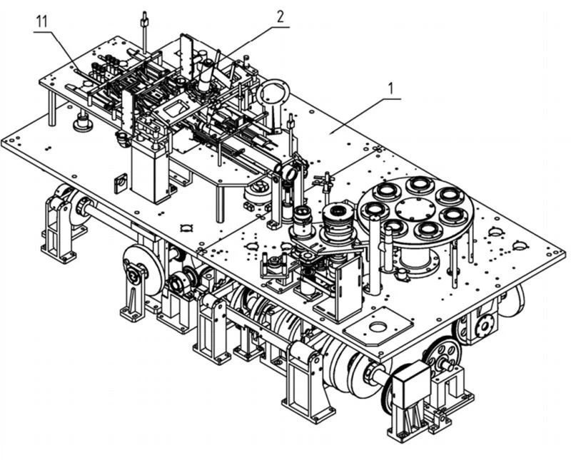
تکنولوژی ماشین لیوان کاغذی:
دستگاه لیوان کاغذی تجهیزات ویژه ای است که برای ساخت لیوان های کاغذی استفاده می شود. فرآیند ساخت لیوان کاغذی شامل تغذیه کاغذ بدنه فنجان، تشکیل استوانه فنجان و تغذیه فنجان است.
تغذیه کاغذ، تغذیه از پایین، گرم کردن، تا کردن پایین، نورد پایین، نورد، تغذیه فنجان و غیره. این فرآیندها نیاز به هماهنگی مکانیسم انتقال دارد.
مکانیسم انتقال سنتی بیشتر از روش انتقال بادامک استفاده می کند، اما ساختار انتقال بادامک موجود دارای مزایای ساختار پیچیده و راندمان انتقال بالا است.
معایب مصرف برق کم و مصرف انرژی بالا در انتقال.
مکانیزم تغذیه برای دستگاه لیوان کاغذی، شامل:
یک قسمت تغذیه به صورت کشویی روی قاب برای انتقال ورق های لیوان کاغذی وصل شده است و انتهای پایین قسمت تغذیه به یک جهت طول بازوی راکر متصل می شود.
انتهای دیگر بازوی راکر به طور چرخشی با یک سر بازوی محرک در جهت طول و انتهای دیگر بازوی محرک متصل می شود.
به طور ثابت با محور محرک که به صورت چرخشی به قاب متصل است و به طور چرخشی به فیدر متصل است.
محور چرخش بازوی راکر متصل به بازوی محرک به صورت موازی مرتب شده است و جهت طول بازوی راکر موازی با جهت طول بازوی محرک است.
تنظیم شده، جهت طول محور محرک عمود بر جهت طول بازوی محرک و جهت طول محور محرک است.
صفحه لغزنده مواد روی قاب به صورت عمودی مرتب شده است و فضایی بین عضو تغذیه و قاب می تواند تغذیه عضو تغذیه روی قاب را محدود کند.
مولفه حد لغزشی رفت و برگشتی جهتی بالایی می تواند قسمت تغذیه کننده را از طریق بازوی چرخاننده در فرآیندی که محور محرک بازوی درایو را به چرخش می راند هدایت کند.
تحت تأثیر مولفه حد، روی قاب به جلو و عقب می لغزد.

سوالات متداول
1) آیا می توانیم تکنسین خود را برای آموزش به کارخانه شما بفرستیم؟
البته، شما به گرمی خوش آمدید برای آموزش رایگان به ما سر بزنید.
2) آیا ما می توانیم توزیع کننده انحصاری شما باشیملیوان کاغذیدستگاه؟
ما مشتاقانه منتظر همکاری نزدیک شما هستیم. پس از اینکه ماشین اول را سفارش دادید و قادر به ارائه خدمات پس از آن هستید، می توانیم در مورد رابطه توزیع صحبت کنیم. متشکرم.
تگ های محبوب: دستگاه لیوان کاغذی نیمه اتوماتیک، چین، تولید کنندگان، کارخانه، قیمت








